Products catalogue
Products
News
Action
Search:
Product specification
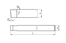
HSS turning tool, grooving tool, DIN 4956, 25x16x140 mm
Code:
486000002
Category:
Tools for turning, cutting and grinding
»
1
»
HSS Turning Tools
»
223530 - nabírací
more info
L
140 mm
b
16 mm
h
25 mm
Attachment:
OPTIMUS s.r.o.
DjVu Plugin
© 2026
Stimer s.r.o.